Cliquez sur le lien suivant afin d'afficher la description technique du moteur diesel PERKINS 4108 M :
PERKINS 4108 M
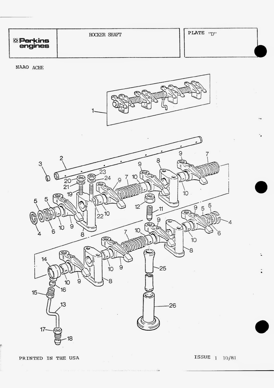
Ci-dessous une copie d'écran du document :
PERKINS 4108 M
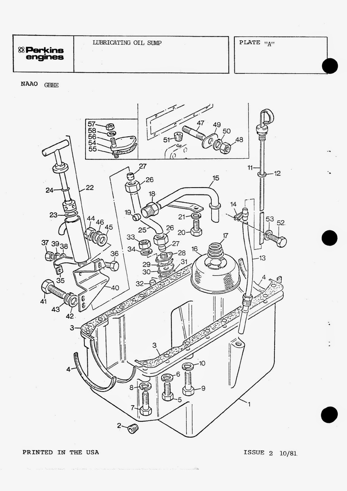
Ci-dessous une copie d'écran du document :










































































































Aucun commentaire:
Enregistrer un commentaire